Transistor Fault model is a Fault model used to describe faults for CMOS logic gates. At transistor level, a transistor may be stuck-short or stuck-open. In stuck-short, a transistor behaves as it is always conducts (or stuck-on), and stuck-open is when a transistor never conducts current (or stuck-off). Stuck-short will usually produce a short between VDD and VSS.

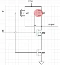
A Transistor fault in a CMOS NAND gate
In the example picture, a faulty PMOS transistor in a CMOS NAND Gate is shown (M3-highlighted transistor). If M3 is stuck-open, then in case we apply A=1 and B=0 then the output of the circuit will become Z. And if M3 is stuck-short, then the output will always be connected to 1, and it also may short VCC to GND in case we apply A=B=1.
This article is issued from Wikipedia. The text is licensed under Creative Commons - Attribution - Sharealike. Additional terms may apply for the media files.